近日,国际电气电子工程师协会(Institute of Electrical and Electronics Engineers——IEEE)电力电子学会(Power Electronics Society——PELS)公布了其旗舰期刊《IEEE电力电子学报(IEEE Transactions on Power Electronics,TPEL)》2024年度最佳论文奖获奖名单,麻豆在线
刘进军教授领导的电力电子与新能源技术研究中心两篇论文分别荣获了最佳短论文奖(Prize Letter Award)和最佳论文二等奖(Second Place Prize Paper Award)。
《IEEE电力电子学报》是国际电力电子技术领域最具影响力的学术期刊,其年度优秀论文评选经过严格的多轮评审与投票,获奖论文重点关注原创性、领域贡献度、验证完整性及成果呈现质量等维度。2024年度该刊共出版论文1400篇左右,经过提名推荐、评审和投票、奖励委员会最终评审等环节,最终评定最佳论文一等奖(First Place Prize Paper) 5篇、最佳论文二等奖(Second Place Prize Paper) 9篇和最佳短论文奖(Prize Letter) 2篇。
这次团队中获得最佳短论文奖的论文题目为“An Extension of Grid Forming: A Frequency-Following Voltage-Forming Inverter”。该论文的研究工作由李奕曈教授和刘进军教授共同指导,博士生艾诚为第一作者,李奕曈教授为通讯作者,麻豆在线
为第一完成单位和唯一通讯作者单位。该论文聚焦新能源变换器构网型稳定控制方法,提出了频率跟随-电压构建型变换器的控制思路,实现了对常规构网型控制中频率构建能力和电压构建能力的特性解耦,拓展了电力电子变换器的构网功能范畴。论文所提控制方法能实现快速的有功功率控制和对外电网的频率跟随响应,同时实现对外电网的电压构建。该方法可适用于直流侧为非理想直流电源且无附加储能装置的多种场景,包括光伏发电、风力发电、静止无功补偿和柔性直流输电等等,具有广泛的应用潜力。


频率跟随-电压构建型变换器控制架构及实验对比测试波形
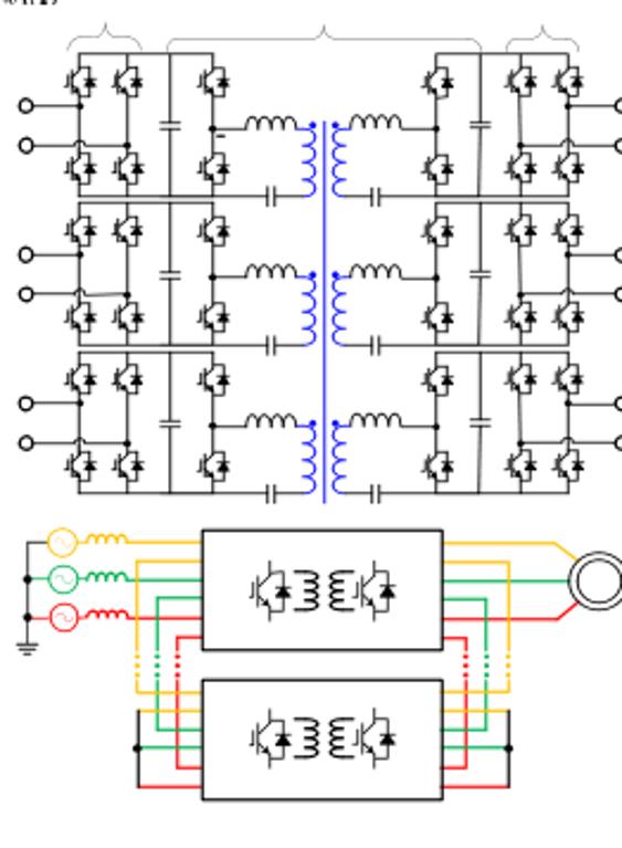
这次团队获得最佳论文二等奖的论文题目为“A Novel Modular Magnetic-Coupled Converter (MMCC) for Medium-Voltage Motor Drive with Minimized DC Capacitance and Transformer Volume”。该论文的研究工作由杜思行副教授、宋群胜博士生和刘进军教授共同完成,麻豆在线
为唯一完成单位和通讯作者单位,该项研究受到国家自然科学基金的支持。该论文聚焦于中压电机变频驱动系统,提出了基于三相高频磁耦合模块的兆瓦级变频器电路拓扑,利用全谐振技术构造低阻抗三相耦合磁路,促使三相互差120度的机侧低频和网侧二倍频波动功率在高频磁路中自然抵消,实现直流电容器存储能量和变压器磁芯重量的最小化设计。相较于经典的级联H桥变频器和模块化多电平变频器,直流电容存储能量减少67%和97%以上,变压器磁芯重量减少90%以上,为高功率密度型中压兆瓦级变频技术开发提供了理论指导,并具有相当的工业应用潜力。

模块化磁耦合变流器的模块与电路拓扑
据了解,此次论文获奖是该团队继2016年和2021年后又一次获得该奖项,并且近年来,团队青年教师个人在海外访学期间的研究工作也曾两次获得该奖项,这充分表明团队的研究水平和研究成果获得了国际同行的广泛认可和高度赞誉。
文字:刘进军教授科研团队
图片:刘进军教授科研团队